行業資訊
您現在的位置: 上海自動化儀表有限公司 > 新聞發布 > 行業資訊
熱式質量流量計采用熱擴散原理應用于核電儀用氣源管路的計量
來源:上海自動化儀表有限公司作者:發表時間:2018-04-14 09:04:40【小中大】
核電機組正常運行過程中需要控制好核島內外差壓, 而島內氣動控制設備的用氣量是影響內外差壓的重要因素, 因此需要對該用氣量進行準確而穩定的計量。原渦輪流量計在使用過程中波動比較大, 不能滿足現場要求。我們上海自動化儀表有限公司詳細論述了熱式質量流量計在核島儀用氣源系統中的改造過程, 通過改造前后測量值曲線的對比, 可以發現熱式質量流量在微小流量工況下的穩定性、精確性等指標均優于渦輪流量計。
1 引言
熱式質量流量計是采用熱擴散原理直接測量氣體質量的流量計, 無須溫度和壓力補償, 同時可以測量介質的溫度, 與其他常用流量計相比, 具有量程比寬、抗振性能好、低流速時輸出信號靈敏度高等特點。
由于核電項目的特殊性, 核島內主要使用容積式流量計和葉輪式流量計來進行氣體流量測量, 如渦輪流量計、浮子式流量計和旋進旋渦流量計等, 較少使用質量流量計。防城港核電站1號機儀表壓縮空氣分配系統 (SAR) 氣源管道上流量計SAR001MD原型號為渦輪流量計, 在使用過程中發現小流量工況下該類型流量計測量不準確, 波動頻繁, 線性度較差等問題。通過分析系統狀況及各類型流量計特點, 現場嘗試使用上自儀公司FT3型熱式質量流量計對原渦輪流量計進行了改造, 改造后的測量值波動幅度大幅減小, 沒有回零現象發生。
2 熱式質量流量計原理及特點簡介
熱式質量流量計基于熱擴散原理, 其典型傳感器元件包括兩個鉑熱電阻, 當這兩個熱電阻被置于流體中時, 其中一個被加熱, 另外一個用于測量介質溫度, 兩個熱電阻之間的溫差與過程流速及過程機制的性質有關, 根據測量方式的不同又分為恒溫差法、恒功率法。上海自動化儀表有限公司生產的FT3型屬于插入式恒溫差法流量計, 即保持兩個熱電阻之間的溫差恒定, 利用金氏定律可推導出加熱功率與流量間的關系如下:

式中:P-消耗的電功率, 瓦;λ-流體的熱導率, J/h·m·K;cv-定容比熱容, J/kg·K;ρ-流體的密度, kg/m;U-流體的流速, m/h;d-熱電阻直徑, m;f-常數。從上式可看出當保持加熱電阻和測溫電阻之間的溫差△T不變時, 加熱電阻上的功率P與U成正比。
FT3型流量計具有如下特點:
(1) 儀表以標準單位測量氣體質量流量而無須溫度及壓力補償, 同時可以測量過程氣體溫度。多種計量單位可現場選擇 (SCFM, SFPM, Nm/h, kg/h等) ;
(2) 兩路隔離4~20m A輸出;100Hz, 5~24V隔離脈沖流量輸出, 最大10m A;USB接口連接PC端Fox View軟件查看、設置、校準、數據記錄等功能;HART和RS485 Modbus可選;
(3) 采用Cal-VTM在線驗證校準功能:該功能是可以在線原位校準流量計準確度, 測試傳感器功能性和相關信號處理電路, 只需一個按鍵即可。在測試結束后, 流量計會顯示成功或失敗信息并存儲Cal-VTM校驗數據以便隨時查看。在測試過程中, 流量計的微處理器調節信號傳感器的信號, 并判斷其電氣特性, 將這些數據與流量計電子單元中存儲的出廠標定數據對比, 如數據在容差范圍內, 則表明流量計測量準確。
(4) 測量范圍:0.07~71Nm/h;
(5) 測量精度:空氣±1%的讀數, ±0.2%的滿量程;其他氣體±1.5%的讀數, ±0.5%的滿量程;
(6) 響應時間:0.9秒;
(7) 量程比最高1000:1, 典型100:1;
(8) 安裝時, 上游至少大于等于8個管徑, 下游大于等于4個管徑;
(9) 供電:標準24VDC, ±10%, 0.75A;可選220V AC, 50Hz, 20W功率。
3 應用
3.1 工藝系統簡介
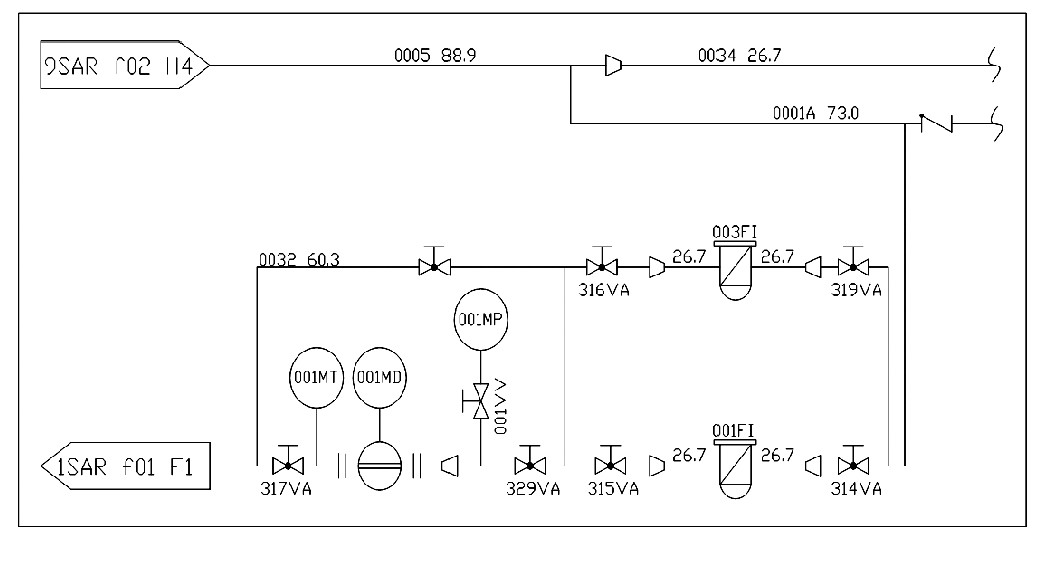
核電機組在正常運行期間, 需保持安全殼內與外部大氣之間的潛在過壓應小于60mbar, 如超過60mbar則需采取措施進行降壓處理。影響安全殼內部壓力變化的因素有殼內氣動控制設備的工作排氣和漏氣、殼內外壓差導致貫穿件的泄漏等, 其中氣動控制設備的工作排氣或漏氣是導致核反應堆廠房內壓力上升的主要因素。根據核電站儀用壓縮空氣分配系統流程圖 (下圖1) , 可知監視安全殼內氣動控制設備所需壓縮空氣總量的流量計為1SAR001MD, 測量信號直接送至DCS。正常運行時系統參數如下:7.81-10bar, 雜質:<1μm, 含量:≤0.01mg/m, 接口管徑33.4×2.77, 要求儀表量程0-10Nm/h。

圖1 SAR系統流程圖 (局部)
原設計供貨的流量計為法國福爾赫曼公司生產的渦輪流量計, 型號為:TGN25G6.5 (150#) 帶前置放大器FH710, 量程為2-10Nm/h。渦輪流量計對被測介質的潔凈度、上下游直管段要求都比較高, 適宜用在壓力變化不大、流速比較穩定, 需要精確計量物料總量的場所。實際使用過程中發現渦輪流量計波動比較大, 并有歸零現象發生, 流量曲線如下圖2所示, 其在DCS里面的組態如下圖3所示, 計算公式如下:

式中:QN-換算后標準狀態下流量, Nm/h;QAV-現場流量計上傳到DCS的流量值, m/h;TN-標準狀態下溫度值, K;PAV-現場實測壓力, MPα;TAV-現場實測溫度值, K;PN-標準狀態下壓力, MPα;ZN、Z-修正系數, 約等于1。儀控氣源管路正常運行時壓力為0.8MPa左右, 由上述計算公式可知管道內實際流量會小于2m/h, 低于儀表的最小量程要求, 現場將渦輪流量計拆下后對其重新進行了校驗, 發現當流量低于1.5m/h時, 流量計線性比較差, 不能滿足現場要求。現場氣動設備的頻繁動作也會導致整個管路的壓力波動比較明顯, 從而影響流量計的穩定測量。
考慮到現場工況比較特殊, 正常運行時用氣量比較小, 壓力波動比較大, 測量范圍比較寬, 對儀表的精度要求比較高, 通過分析比較各類流量計的特點后決定采用熱式質量流量計對渦輪流量計進行換型改造。

圖2 渦輪流量計測量值曲線
3.2 改造過程
3.2.1 管路改造及電源改造
本次改造選用的質量流量計型號為:FT3-10F-SS-ST-E1-DD-B0-G1, 改造前后流量變送器安裝方式不變, 均為法蘭連接, 管徑尺寸也不變, 為滿足流量計對上下游直管段的要求, 需對上下游管道進行改造, 改造前后上下游直管段參數詳見下表1:
表1 改造前后上下游直管段長度
FT3型熱式質量流量計需要單獨提供24VDC直流電源, 因此需要增加1面220VAC轉24VDC的就地電源箱。表頭處接線如下圖4所示, 右側接24VCD電源線來自就地電源箱, 左側接信號線送至DCS。Fox熱式流量計的4-20m A輸出均為無源輸出, 需DCS側提供額外的24VDC電源, 改造后的流量計無須壓力和溫度補償。
3.2.2 DCS側接線及邏輯修改
本電廠DCS由北京廣利核工程有限公司供貨, 現場過來的4-20m A流量信號先送隔離模塊NM3480, 然后通過內部數據通信送至8通道輸入模塊NM480, 信號采集流程圖如下圖5所示。NM3480是廣利核公司生產的8通道可外供電隔離型電流輸入端子轉接模塊, 通過專用25芯預制電纜與NM480模塊配套使用, 實現現場電流信號到功能模塊的相互轉接與傳遞。根據是否需要DCS提供電源以及有無電流限制, NM3480模塊有4種接線模式可供選擇, SAR001MD信號接An、Bn端子, 表示需DCS供電且有電流限制。

圖4 表頭接線 (24VDC電源線和4-20m A信號)
NM480是8通道路間隔離型電流輸入模塊, 通過64針歐式連接器與機籠底板連接, 配合端子模塊實現8通道路間隔離的電流信號采集。NM480支持ProfibusDP協議, 作為從站與DP主站 (主控制器) 完成數據交換。NM480模塊依靠64針歐式連接器從端子模塊經機籠底板輸入8路現場電流信號, 電壓信號經過過壓保護與信號調理電路進入A/D轉換電路, 之后將采集的數據經光電隔離后送入微控制器進行數據處理, 最終通過Profibus-DP現場總線將數據上傳到主控制器。NM480模塊的微控制器及通訊電路部分由系統輸入的5V電源供電;通道采集電路部分由系統輸入的24V電源經8路相互隔離的DC/DC轉換為5V電源供電。
由于熱式質量流量計以標準單位測量氣體流量而無需額外的溫度壓力補償, 同時可以測量過程氣體溫度, 因此需要在DCS內對相關邏輯進行修改, 改造前后的邏輯詳見上圖3和下圖6, 從下圖可以看出改造后的邏輯刪掉了溫度和壓力修正, 現場送過來的4-20m A信號即為測得的標準流量信號。
3.3 改造后效果
現場使用熱式質量流量計完成改造后的流量曲線如下圖7所示, 對比原流量計曲線 (上圖2) , 可發現曲線變化比較平緩, 整體波動較小, 測量值在8Nm/h上下10%范圍內小幅振動, 滿足現場計量要求。
4 結束語
熱擴散原理是一種易安裝、低維護的氣體流量測量方式, 熱式質量流量計以其重復性好、靈敏度高、操作簡單等特點在工業領域得到了廣泛的應用。核島儀控用氣源管道流量計在使用熱式質量流量計進行成功改造后, 運行平穩, 滿足了現場精度要求和控制要求, 經過一年多時間的觀察, 在測量微小流量氣體情況下無論在精度、安裝、維護等方面都由于渦輪流量計。

圖5 模擬量信號采集示意圖

圖6 DCS邏輯組態圖 (改造后)

圖7 熱式質量流量計測量值曲線
上海自動化儀表有限公司推薦資訊
- 中核霞浦核電有限公司一行調研霞浦快堆項目2023-03-17
- 帶您了解定期更換稱重顯示儀的重要性和好處2019-11-13
- ZMAT-10氣動薄膜隔膜調節閥2018-04-03
- 安全閥的定義、原理以及閥門的背壓問題簡單2018-09-10
- 靜壓水平傳感器的接地注意事項2018-05-29
- 全面概括智能一體化電動執行機構在采礦業中2019-10-14
- 77-36100氣動O形切斷球閥2018-04-03
- 靶式流量計的安裝步驟詳解2017-12-15
上海自動化儀表有限公司熱門產品
- D530/7DDK差壓控制器2019-07-12
- ZDL-21000電動調節閥2018-03-30
- 哪種電磁閥適用于燃料應用?2018-06-09
- 上海自動化儀表七廠閥門是室內通風的支柱2017-12-16
- 上海電氣集團領導到訪電科集團 聚焦新領域2023-02-14
- 全面分析科里奧利流量計結構2019-01-11
- 耐腐膜片壓力表2018-03-08
- 簡單了解5種不同類型的壓力表2019-09-19

