阻旋式料位開關系列
您現在的位置: 上海自動化儀表股份有限公司 > 產品導航 > 液位計/物位計/料位計 > 阻旋式料位開關
阻旋式料位開關
產品說明: 阻旋式料位開關產品簡介適用于幾乎所有的物料,適合于高溫,壓力,粉塵,防爆等場合安裝簡便快捷,使用可靠 阻旋式料位開關用 途UZK系列阻旋式料位控制器適用于工業生產過程中敞開
質量穩定:實行全過程質量監控,細致入微,全方位檢測!
真品保證:正品保障,防偽標志
交貨快捷:先進生產流水線,充足的備貨,縮短了交貨期!
全國咨詢熱線:
021-56725115
產品說明
阻旋式料位開關產品簡介
適用于幾乎所有的物料,適合于高溫,壓力,粉塵,防爆等場合安裝簡便快捷,使用可靠
阻旋式料位開關用 途
UZK系列阻旋式料位控制器適用于工業生產過程中敞開容器內料位的控制,當料位到達高、低極限位置時,控制器的繼電器觸點輸出報警或控制信號。
控制器結構簡單,工作可靠,使用維修方便,是一種較理想的簡易料位控制儀表。
阻旋式料位開關特 點
馬達扭力可調整。
并有打滑裝置保護馬達特殊油封設計,具有雙層防塵。
防護等級:IP65
供電電源:220VAC 110VAC 24VAC 24VDC
觸點容量:5A125VAC 3A250VAC
機型齊全,伸出軸長度可調整,耐高溫350℃
防爆型 超小型 安裝有螺紋和法蘭
各種不同外形翼片,可供使用在不同場所
特殊規格也可配合客戶需求定制
阻旋式料位開關工作原理
儀表有同步電機翼片 過載檢測機構和微動開關等部分組成。當被測物料上升時,翼片旋轉受到阻擋,使檢測機構作微量轉動,從而使撥動桿推動微動開關動作,發出報警信號,切斷電機電源。
阻旋式料位開關 技術指標
|
技術指標
|
型 號
|
||
|
UZK-02S
|
UZK-03S
|
UZK-04S
|
|
|
供電電源
|
220VAC 50Hz; 110VAC 50Hz; 24VDC; 24VAC
|
||
|
測定粉體比重
|
>0.5~0.9g/m³
|
||
|
觸點容量
|
250VAC 3A; 125VAC 5A
|
||
|
介質溫度
|
普通型:-10-+80℃; 高溫型:≤+350℃
|
||
|
旋轉速度
|
2.5轉/分
|
||
|
測量范圍
|
固定安裝位置決定
|
1m~2m
|
2m~3.5m 3.5m~5m 5m~7m
|
|
安裝形式
|
螺紋或法蘭側壁水平安裝或頂部垂直安裝
|
螺紋或法蘭頂部安裝
|
|
|
用途
|
上 下限報警
|
下限報警
|
|
|
重量
|
約1.8kg
|
約2.7kg
|
3.6kg~5.4kg
|
|
壓力
|
0.2~1MPa
|
||
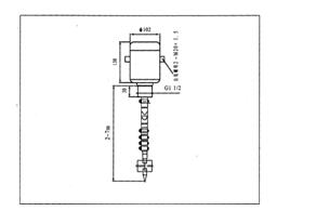
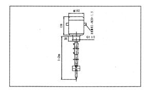
防護等級:IP65
安裝尺寸:螺紋 G 1 1/2”,
阻旋式料位開關 選型表格
|
UZK-
|
02S
|
|
主要用于偶裝
|
|||||||
|
型 號
|
03S
|
|
用于頂裝加長軸1-2mmm
|
|||||||
|
04S
|
|
用于頂裝加長軸2-7mm
|
||||||||
|
規
格
|
P
|
|
普通型:-10-+80℃
|
|||||||
|
S
|
|
高溫型:≤350℃
|
||||||||
|
測
量
溫
度
|
Y
|
|
0.2Mpa
|
|||||||
|
H
|
|
1Mpa
|
||||||||
|
測量壓力
|
N
|
|
非防爆
|
|||||||
|
D
|
|
隔爆d II BT5
|
||||||||
|
F
|
|
粉塵 DIP DT T13
|
||||||||
|
|
A
|
|
220VAC 50Hz
|
|||||||
|
B
|
|
110VAC 50Hz
|
||||||||
|
C
|
|
24VCD
|
||||||||
|
D
|
|
24VAC
|
||||||||
|
電源電壓
|
A
|
|
鐮刀型
|
|||||||
|
B
|
|
小十字型
|
||||||||
|
C
|
|
方刀型
|
||||||||
|
D
|
|
十字加強型
|
||||||||
|
E
|
|
長方刀型
|
||||||||
|
翼片形式
|
1
|
|
螺紋安裝G1 1/2
|
|||||||
|
2
|
|
法蘭安裝 PN1.6 DN40
|
||||||||
|
安裝方式
|
1
|
|
加長轉動軸加保護管
|
|||||||
|
2
|
|
管式轉動軸
|
||||||||
|
3
|
|
擺動式轉動軸
|
||||||||
|
4
|
|
鋼纜式轉動軸
|
||||||||
|
轉動軸形式
|
□□□□
|
mm
|
||||||||
|
|
|
|||||||||
|
UZK-
|
□
|
□
|
□
|
□
|
□
|
□
|
□
|
□
|
□□□□
|
|
阻旋式料位開關翼片形式
A型
鐮刀型,適用側裝的所有物料,
B型
小十字型:適用于頂裝小顆粒物料
C型
方刀型:適用頂裝小顆粒,也使用側裝大顆粒的,寬度W大于40時需要法蘭安裝
D型
十字加強型:適用頂裝大顆粒
E型
鉸鏈槳翼型,適用小顆粒,小比重,小口徑安裝
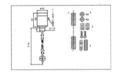
5結構尺寸
02型

當UZK-02側裝時,出線螺母必須處于水平,以避免雨水從出線螺母 處滲入表內損壞內部器件。
當UZK-02用于側裝測下料位時,應選C D E型翼片,當料位高于下料位情況下出抖時,物料流動使用A型翼片有時會帶動控制器轉動發出虛假報警型號。選C D E型翼片時對稱分布,物料流動不會造成旋翼轉動。
UZK-02既可側裝又可垂直安裝。不同的料位(包括比重大小顆粒大小),可選用不同的翼片來達到用戶的要求。
加長軸型

加長轉動軸長可選
03型管式
UZK-03適用于固體料位的檢測,頂部垂直安裝高料位中間適用于固體料位的檢測,頂部垂直安裝,高料位中間狀態,或高料位檢測;
04型管式
用于固體物料的檢測,頂部垂直安裝,低料位檢測
03,04型擺式傳
擺式傳動軸組件(延長抽)有兩部分組成
(1)延長軸
(2)安裝在傳動軸上的連接彈簧,為了安裝測量槳葉,延長軸上面每隔100mm鉆一個孔,這樣在不同的插入長度上就可以安裝槳葉
03,04鋼纜式
鋼纜式傳動軸組件(鋼纜式軸)由四部分組成
(1)8mm直徑不銹鋼纜,長度8m,
(2)寸套 (3)加緊環 (4) 配重
鋼纜式傳動軸組件L=2~7m,根據需要切斷至所需長度
高溫型

法蘭安裝

法蘭尺寸

蘭配合尺寸符合GB20592 PN1.6 DN40 法蘭A制造尺寸見圖
阻旋式料位開關安裝與使用注意事項
安裝事項

UZK 控制器在使用時,為了避免控制器的旋翼貨傳動軸被塊狀物料直接撞擊,當儀表側裝時,應在控制器旋翼上方的容器壁上安裝防護板,可用多種形式:A管的一部分截面 B鋼板 C角鐵。 當儀表在頂裝時,可在控制器的長軸外套裝保護管。或直接選用有連接彈簧的擺動式傳動軸或鋼纜式傳動軸。
密度調整
密度調整彈簧的設定。密度調整彈簧有3個設定位置,僅在必需時進行調整(由內向外)內位置用于密度物料中位置幾乎對所有物料都適用外位置用于粗大物料出廠時設定在中間位置,用小鉗子來調整彈簧。
阻旋式料位開關接線端子圖


