雙針雙管壓力表系列
您現在的位置: 上海自動化儀表股份有限公司 > 產品導航 > 壓力表 > 雙針雙管壓力表
雙針雙管壓力表
產品說明:雙針雙管壓力表概述: 雙針壓力表主要適用于機車車輛上用來測量液壓系統或儲氣缸內的壓力:亦可用于可銅合金及錫鉛合金釬焊料無腐蝕性、非結晶和凝固的各種介質的壓力測量。儀
質量穩定:實行全過程質量監控,細致入微,全方位檢測!
真品保證:正品保障,防偽標志
交貨快捷:先進生產流水線,充足的備貨,縮短了交貨期!
全國咨詢熱線:
021-56725115
產品說明
雙針雙管壓力表概述:
雙針壓力表主要適用于機車車輛上用來測量液壓系統或儲氣缸內的壓力:亦可用于可銅合金及錫鉛合金釬焊料無腐蝕性、非結晶和凝固的各種介質的壓力測量。儀表可同時測量兩個相同或不相同(兩者之差一般應不大于標度范圍上限值的1/3)的壓力。
雙針雙管壓力主要技術指標
準確度:1.6級、1.0級
標度范圍:0?1000; 1200;1600;2500kPa
使用環境條件:5℃?60℃:,相對濕度不大
于80%
溫度影響:不大于0.4%/10℃:(使用溫度
偏離20±5℃ )
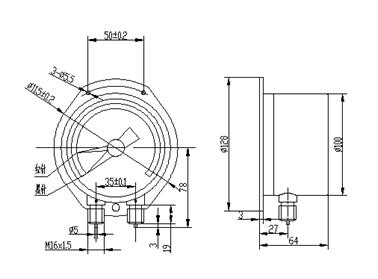
雙針雙管壓力表外形尺寸

雙針雙管壓力表 使用須知
1.儀表應垂直安裝,并力求與測量點間保持同一水平位置,否則須相應地計入液位差所引起的附加誤差。
2.儀表經常使用的壓力應為其分度上限的2/3為宜。
3.儀表定期維修時如確需開啟表蓋,宜借助專用工具進行。

