高阻表系列
您現在的位置: 上海自動化儀表股份有限公司 > 產品導航 > 電流表/電壓表 > 高阻表
高阻表
產品說明:高阻表特性:精度:1.5級環(huán)境溫度范圍:-25℃- +55℃外殼防護:按IP42/52耐振動:0.7g前面板尺寸:96x96mm儀表標度尺:白色底黑色刻度如需設定值可劃紅線。儀表安裝:用四個對角支架固定 高
質量穩(wěn)定:實行全過程質量監(jiān)控,細致入微,全方位檢測!
真品保證:正品保障,防偽標志
交貨快捷:先進生產流水線,充足的備貨,縮短了交貨期!
全國咨詢熱線:
021-56725115
產品說明
高阻表特性:
精度:1.5級
環(huán)境溫度范圍:-25℃- +55℃
外殼防護:按IP42/52
耐振動:0.7g
前面板尺寸:96x96mm
儀表標度尺:白色底黑色刻度如需設定值可劃紅線。
儀表安裝:用四個對角支架固定
高阻表產品分類
|
產品型號
|
展開角
|
外型尺寸(A×B×C)
|
開孔尺寸(mm)
|
重量(kg)
|
備注
|
|
Q96-ZMΩ
|
240°
|
96×96×140
|
92+0.5×92+0.5
|
0.85
|
|
|
Q72-ZMΩ
|
72×72×80
|
68+0.5×68+0.5
|
1.7
|
配附加裝置
|
|
|
Q96-MΩ
|
90°
|
96×96×140
|
92+0.5×92+0.5
|
0.75
|
|
|
Q72-MΩ
|
72×72×80
|
68+0.5×68+0.5
|
1.6
|
配附加裝置
|
高阻表測量范圍
|
高阻表
|
|
|
測量范圍
|
額定電壓
|
|
0-5MΩ
|
100V、127V ﹑220V、380V、400V、440V380V(經380/100V或380/127V.P.T接入)
|
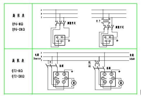
接線圖

高阻表外形尺寸圖


